| MT系列閉環電機 | 相數 | 步距角 (°) |
保持轉矩 N.m |
額定電流 A |
相電感 mH |
相電阻 Ohm |
引線數 | 轉子慣量 (g.cm2) |
機身總長 mm |
電機重量 kg |
備注說明 |
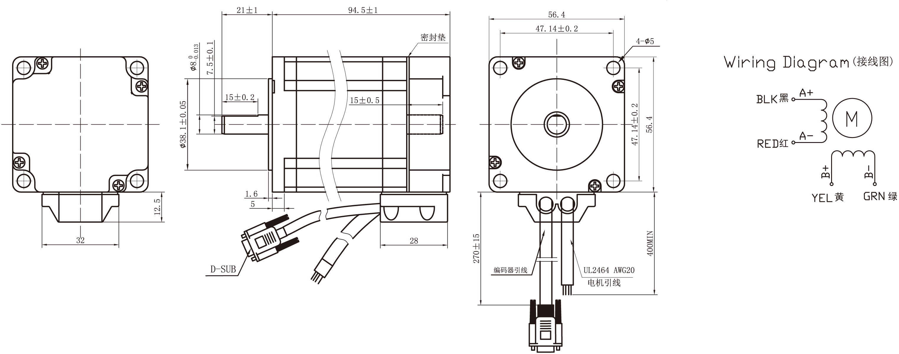
| 57MT20 | 2 | 1.8 | 2.0 | 5 | 1.75 | 0.38 | 4 | 480 | 94.5 | 1.5 | 軸長21mm 軸徑8mm |
純矢量(FOC)閉環控制技術完整的矢量閉環步進,擁有變電流過載技術,陷波和變頻技術,弱磁處理技術,追跡誤差小,不丟步技術的幾大核心算法。
較大提升電機的高速性能,可以將電機轉矩提升。
降低電機發熱量,驅動器輸出電流隨負載和速度變大而變大,變小而變小。
縮短電機加減速響應時間,位置響應輸出與輸入指令信號幾乎是實時同步的,因此非常適合應用于短距離快速啟停和零速穩停的場合。
電機停剎車時無振蕩,矢量閉環步進伺服驅動系統擁有步進電機特別的保持轉矩特性,能夠穩定到達設定位置而避免振蕩。
