
| 輸出 | PJT-18V40WBA口 | PJT-18V65WBA口 | PJT-18V100WBA口 | PJT-18V100WBBD | |
| 輸出電壓 | 18V | 18V | 18V | 18V | |
| 輸出電流 | 2.22A | 3.61A | 5.55A | 4.44A(自然對流) 5.55A(強制風冷) |
|
| 輸出功率 | 40W | 65W | 100W | 80W(自然對流) 100W(強制風冷) |
|
| 紋波電壓(20MHz) | <180mVpp | ||||
| 保持時間 | 115VAc | 18mstyp. | 16mstyp. | 20mstyp. | 10mstyp. |
| 230VAc | 90mstyp. | 80mstyp. | |||
| 輸入 | |||||
| 輸入相數 | 單相 | ||||
| 輸入電壓范圍 | 90-264VAc | ||||
| 輸入頻率 | 47-63Hz | ||||
| 輸入電流 | 115VAc | 0.85Atyp. | 1.50Atyp. | 1.50Atyp. | 2.50Atyp. |
| 230VAc | — | ||||
| 滿載效率(100%負載) | 115VAc | 86.0%typ. | 87.0%typ. | 87.5%typ. | 87.0%typ. |
| 230VAc | 88.0%typ. | 89.0%typ. | |||
| 浪涌電流(冷啟動) | 115VAc | 30Atyp. | 30Atyp. | 30Atyp. | 30Atyp. |
| 230VAc | 60Atyp. | 60Atyp. | 60Atyp. | 60Atyp. | |
| 功率因素 | 115VAc | 符合EN61000-3-2 | |||
| 230VAC | |||||
| 漏電流 | 240VAC | <0.1mA | |||
| 264VAC | — | ||||
| 機構 | |||||
| 外殼/底架 | — | ||||
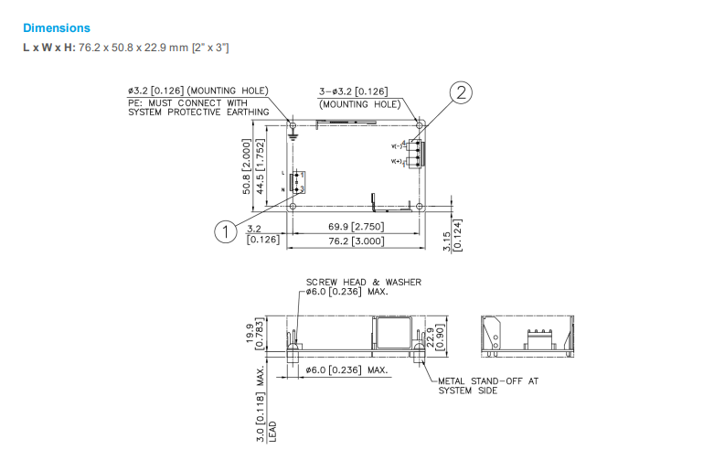
| 尺寸(L×W×H) | mm | 76.2×50.8×22.9 | 101.6×50.8×30 | 127×76.2×31 | 101.6×50.8×31.8 |
| inch | 3.00×2.00×0.90 | 4.00×2.00×1.18 | 5.00×3.00×1.22 | 4.00×2.00×1.25 | |
| 重量 | kg | 0.08 | 0.13 | 0.21 | 0.15 |
| lb | 0.18 | 0.29 | 0.46 | 0.33 | |
| 冷卻方式 | 自然對流 | 自然對流/強制風冷 | |||
| 平均故障間隔時間 | >700,000hrs | ||||
| 環境 | |||||
| 運行溫度 | —10℃至+70℃ | ||||
| 儲存溫度 | —40℃至+85℃ | ||||
| 運行濕度 | 10至95%RH(無冷凝) | ||||
| 運行海拔高度 | 0至5,000m(0至16,400ft) | ||||
| 輸出 | PJT-24V40WBAp | PJT-24V65WBA口 | PJT-24V100WBA口 | PJT-24V100WBB口 | PJT-27V150WBNA | |
| 輸出電壓 | 24V | 24V | 24V | 24V | V1: 27 V, VSB: 12 V | |
| 輸出電流 | 1.66A | 2.71A | 4.17A | 3.33A(自然對流) 4.17A(強制風冷) |
V1: 5.55 A VSB: 0.5 A |
|
| 輸出功率 | 40W | 65W | 100W | 80W(自然對流) 100W(強制風冷) |
V1: 150 W VSB: 6 W |
|
| 紋波電壓(20MHz) | < 240 mVpp | V1: < 150 mVpp, VSB: < 75 mVpp |
||||
| 保持時間 | 115VAc | 18mstyp. | 16mstyp. | 20mstyp. | 10mstyp. | >40 ms |
| 230VAc | 90mstyp. | 80mstyp. | ||||
| 輸入 | ||||||
| 輸入相數 | 單相 | |||||
| 輸入電壓范圍 | 90-264VAC | 85-264VAC | ||||
| 輸入頻率 | 47-63Hz | |||||
| 輸入電流 | 115VAc | 0.85Atyp. | 1.50Atyp. | 1.50Atyp. | 2.50Atyp. | <1.80A |
| 230VAc | — | <0.90A | ||||
| 滿載效率(100%負載) | 115VAc | 86.0%typ. | 87.0%typ. | 88.0%typ. | 88.0%typ. | >88.5% |
| 230VAc | 87.0%typ. | 89.0%typ. | >89.5% | |||
| 浪涌電流(冷啟動) | 115VAc | 30Atyp. | <50A | |||
| 230VAc | 60Atyp. | <100A | ||||
| 功率因素 | 115VAc | 符合EN61000-3-2 | >0.99 | |||
| 230VAC | >0.93 | |||||
| 漏電流 | 240VAC | <0.1mA | ||||
| 264VAC | — | <0.25mA | ||||
| 機構 | ||||||
| 外殼/底架 | — | |||||
| 尺寸(L×W×H) | mm | 76.2×50.8×22.9 | 101.6×50.8×30 | 127×76.2×31 | 101.6×50.8×31.8 | 127×76.2×36.5 |
| inch | 3.00×2.00×0.90 | 4.00×2.00×1.18 | 5.00×3.00×1.22 | 4.00×2.00×1.25 | 5.00×3.00×1.44 | |
| 重量 | kg | 0.08 | 0.13 | 0.21 | 0.15 | 0.37 |
| lb | 0.18 | 0.29 | 0.46 | 0.33 | 0.82 | |
| 冷卻方式 | 自然對流/強制風冷 | 自然對流 | 自然對流/強制風冷 | 自然對流 | ||
| 平均故障間隔時間 | >700,000hrs | |||||
| 環境 | ||||||
| 運行溫度 | —10℃至+70℃ | |||||
| 儲存溫度 | —40℃至+85℃ | |||||
| 運行濕度 | 10至95%RH(無冷凝) | 5 至 95% RH (無冷凝) | ||||
| 運行海拔高度 | 0至5,000m(0至16,400ft) | |||||
